- 產品概述
一、產品概述:
二、結構說明:
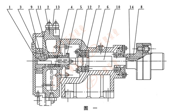
SZB型泵結構如圖一所示、工作室由泵體(2)、泵蓋(1)構成,上有進排氣口(詳見圖三),下有放水螺塞(15)(見圖三),泵蓋上有指示旋轉方向的箭頭,泵體有填料函和填料壓蓋(5),內裝填料(4)密封,泵體側面的螺絲孔(16)(見圖三)為補充水環消耗用水。
三、產品結構:
|
|
|||||||||
|
1
|
泵蓋
|
4
|
填料
|
7
|
滾珠軸承
|
10
|
泵軸
|
13
|
法蘭盤
|
|
2
|
泵體
|
5
|
填料壓蓋
|
8
|
聯軸器
|
11
|
填料環
|
14
|
聯軸器平鍵
|
|
3
|
葉輪
|
6
|
托架
|
9
|
葉輪平鍵
|
12
|
軸承壓蓋
|
|
|
四、性能參數:
|
|
排氣量Q
|
毫米汞柱
|
最大真
|
轉數
|
電機功率
|
口徑
|
泵重
|
||
|
型號
|
m3/h
|
L/s
|
(mmHg)
|
空度
|
(r/min)
|
(kW)
|
吸入
|
吐出
|
(kg)
|
|
SZB-4
|
19.8
|
5.5
|
440
|
|
|
|
|
|
|
|
14.4
|
4
|
520
|
|||||||
|
7.2
|
2
|
600
|
80%
|
1450
|
1.5
|
ZGl”
|
ZG1"
|
42
|
|
|
0
|
0
|
650
|
|||||||
|
SZB-8
|
38.2
|
10.6
|
440
|
|
|
|
|
|
|
|
28.8
|
8
|
520
|
|||||||
|
14.4
|
4
|
600
|
80%
|
1450
|
2.2
|
ZGl"
|
ZG1"
|
45
|
|
五、性能曲線:
- 上一個產品: 2X型臥式旋片真空泵
- 下一個產品: SKL直聯式水環真空泵











