- 產品概述
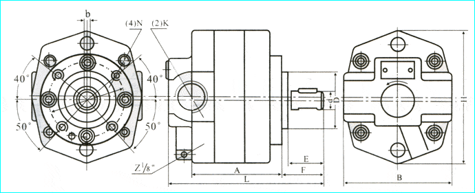
- 安裝尺寸
- 使用說明
- 產品特點
|
一、產品概述: |
|||||||||||||||||||||||||||||||||||||||||||||||||||||||||||||||||||||||||||||||||||||||||||||||||||||||||
|
上奧牌BB型BBG型擺線齒輪泵是一種容積式內齒輪泵,其內齒輪(即外轉子)為圓弧齒形,外齒輪(即內轉子)為短幅外擺線的新型齒輪泵。由于該泵結構簡單、噪音低、輸油平穩(wěn)、自吸性能好的高轉速特性,因而在低壓液壓系統(tǒng)中被廣泛采用,可作為動力泵或潤滑泵各冷卻泵,本泵適用于輸送各種油類。目前該泵正在逐步取代CB型、KCB型2CY型齒輪油泵。
二、型號意義:
|
|||||||||||||||||||||||||||||||||||||||||||||||||||||||||||||||||||||||||||||||||||||||||||||||||||||||||
|
三、性能參數:
|
|||||||||||||||||||||||||||||||||||||||||||||||||||||||||||||||||||||||||||||||||||||||||||||||||||||||||
|
- 上一個產品: CYZL-A型直聯(lián)自吸油泵
- 下一個產品: 暫無文章


自吸離心油泵.jpg)

1.jpg)














